В разделах отражены результаты для региона:
США, Кембридж
 Подшипники

ZWZ 7305 BM/P6 Подшипник шариковый радиально-упорный однорядный

Розничная цена
$19,65
Бренд
ZWZ
В наличии
85 шт
В партии
1 шт
Дата прайса
05.12.2025
Вес
0,277 кг
Россия, Москва
Автоштамп, ООО (МСК-2)
В проекте 24 года 10 месяцев 5 дней
Проверенная компания
Доставка

Доставка по России осуществляется компаниями Деловые линии, СДЭК, Почта России, согласно тарифам этих компаний.

Описание

В наличии. Отгрузка 3-4 ДНЯ после оплаты.

При заказе менее, чем на 20 тыс. Руб., срок отгрузки может быть увеличен.

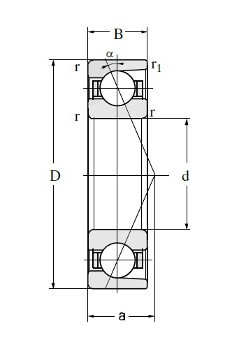
"Радиально-упорный подшипник 7305 BM/P6 предназначен для восприятия радиальных и осевых нагрузок. Его способность воспринимать осевую нагрузку зависит от угла контакта, представляющего собой угол между плоскостью центров шариков и прямой, проходящей через центр шарика и точку касания шарика с дорожкой качения. С увеличением угла контакта осевая грузоподъемность возрастает вследствие уменьшение радиальной.
По скоростным характеристикам радиально-упорный подшипник 7305 BM/P6 не уступает радиальному однорядному. Увеличение угла контакта приводит к снижению допускаемых частот вращения и увеличению воспринимаемой подшипником односторонней осевой нагрузки."

Характеристики

Вид товара
Подшипник
Система измерения
Метрическая
Тип трения
Качение
Форма тел качения
Шарики
Направление воспринимаемой нагрузки
Радиально-упорная
Количество рядов
Однорядный
Отверстие
Цилиндрическое
Материал подшипника
Сталь
Уплотнительные решения
Открытый
Материал сепаратора
Латунь
d (мм) - Диаметр отверстия
25
D (мм) - Наружный диаметр
62
B (мм) - Ширина
17
m (кг) - Масса
0.277
r1,2 (мм) - Размер фаски (Внутреннее кольцо) (min)
1.1
C (кН) - Номинальная динамическая грузоподъёмность (радиальная)
24.7
C0 (кН) - Номинальная статическая грузоподъёмность (радиальная)
14
r1,2 (мм) - Размер фаски (Наружное кольцо) (min)
0.6
Смазка (об/мин)
9000
Масло (об/мин)
13000
Радиальный внутренний зазор
Нормальный

Похожие товары

Другие товары продавца

Другие товары этого бренда