В разделах отражены результаты для региона:
США, Кембридж
 Подшипники

ZWZ 6003 Подшипник шариковый радиальный однорядный

Розничная цена
$1,41
Бренд
ZWZ
В наличии
25 шт
В партии
1 шт
Дата прайса
14.11.2025
Вес
0,039 кг
Россия, Москва
Автоштамп, ООО (МСК-2)
В проекте 24 года 9 месяцев 15 дней
Проверенная компания
Доставка

Доставка по России осуществляется компаниями Деловые линии, СДЭК, Почта России, согласно тарифам этих компаний.

Описание

В наличии. Отгрузка 3-4 ДНЯ после оплаты.

При заказе менее, чем на 20 тыс. Руб., срок отгрузки может быть увеличен.

Подшипник 6003 шариковый радиальный однорядный открытый, предназначен для восприятия радиальных нагрузок, но может воспринимать осевую нагрузку, величина которой не должна превышать 70% неиспользованной допустимой радиальной нагрузки. Подшипник 6003 применяется в промышленном оборудовании, в конвейерах, в сельскохозяйственной технике.

Характеристики

Вид товара
Подшипник
Система измерения
Метрическая
Тип трения
Качение
Форма тел качения
Шарики
Направление воспринимаемой нагрузки
Радиальная
Количество рядов
Однорядный
Отверстие
Цилиндрическое
Материал подшипника
Сталь
Уплотнительные решения
Открытый
Материал сепаратора
Сталь
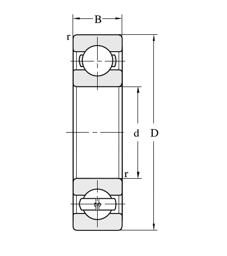
d (мм) - Диаметр отверстия
17
D (мм) - Наружный диаметр
35
B (мм) - Ширина
10
m (кг) - Масса
0.039
r1,2 (мм) - Размер фаски (Внутреннее кольцо) (min)
0.3
C (кН) - Номинальная динамическая грузоподъёмность (радиальная)
6.81
C0 (кН) - Номинальная статическая грузоподъёмность (радиальная)
3.38
Предельная частота вращения (об/мин)
28000
r1,2 (мм) - Размер фаски (Наружное кольцо) (min)
0.3
Смазка (об/мин)
18000
Масло (об/мин)
22000
Радиальный внутренний зазор
Нормальный

Похожие товары

Другие товары продавца

Другие товары этого бренда