RU - USD
Русский - USD
Язык:
English
Русский
Валюта:
BYN (2,9483 BYN / USD)
EUR (0,8522 EUR / USD)
KZT (5,2002 KZT / USD)
RUB (79,7296 RUB / USD)
USD
Применить
+7 (8452) 45-55-55
market@autoshtamp.ru
Каталог
Каталог: Все категории
Найти
+7 (8452) 45-55-55
Вход
0
$0
Меню
США, Кембридж
О проекте
Поставщики
Справочник
Блок по качеству
Объявления
Для бизнеса
RU - USD
Русский - USD
Язык:
English
Русский
Валюта:
BYN (2,9483 BYN / USD)
EUR (0,8522 EUR / USD)
KZT (5,2002 KZT / USD)
RUB (79,7296 RUB / USD)
USD
Применить
В разделах отражены результаты для региона:
США, Кембридж
Да, все верно
Выбрать другой
Справочник
/
Подшипники
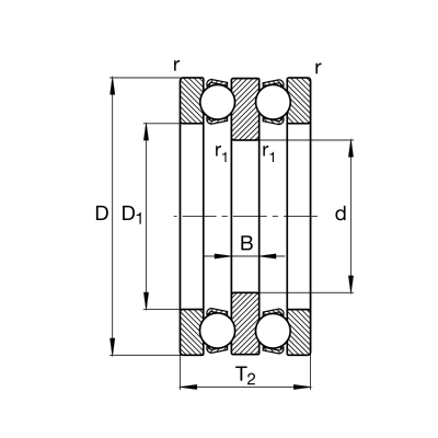
FAG 52307 DIN
Подшипник упорный шариковый двухрядный
Показать цены
Бренд
FAG
Стандарт
DIN
Основные размеры
d
, Внутренний диаметр, мм
30
D
, Наружный диаметр, мм
68
B
, Ширина, мм
44
m
, Масса, кг
0,63
Перейти к характеристикам
Характеристики
Аналоги
Характеристики
Вид товара
Подшипник
Система измерения
Метрическая
Тип трения
Качение
Форма тел качения
Шарики
Направление воспринимаемой нагрузки
Осевая
Количество рядов
Двухрядный
Отверстие
Цилиндрическое
Материал подшипника
Сталь
Уплотнительные решения
Открытый
Материал сепаратора
Сталь
d (мм) - Диаметр отверстия
30
D (мм) - Наружный диаметр
68
T (мм) - Общая ширина
44
m (кг) - Масса
0.63
Номинальная частота вращения (об/мин)
7600
Предельная частота вращения (об/мин)
4850
C (кН) - Номинальная динамическая грузоподъёмность (осевая)
50000
C0 (кН) - Номинальная статическая грузоподъёмность (осевая)
89000
Аналоги
Внимание! Аналоги представлены только по размерам.
ГОСТ 38307
Найти
SKF 52307
Найти
NSK 52307
Найти
NTN 52307
Найти
KOYO 52307
Найти
Похожие товары
Подшипник упорный шариковый двухрядный
SKF
52307 ISO
Подшипник упорный шариковый двойной
FBJ
52307
Подшипник упорный шариковый двухрядный
NSK
52307 ISO
Подшипник упорный шариковый двойной
ZWZ
52307
Previous
Next
Другие товары этого бренда
Подшипник радиальный роликовый сферический двухрядный
FAG
23228-E1-XL-K-TVPB DIN
Подшипник радиально-упорный шариковый двухрядный
FAG
3201-BB-2Z-TVH DIN
Подшипник радиальный шариковый однорядный
FAG
6318-J20AA DIN
Подшипник радиальный шариковый двухрядный самоустанавливающийся
FAG
11212-TVH DIN
Подшипник радиальный роликовый сферический двухрядный
FAG
22217-E1-XL-K DIN
Подшипник радиальный роликовый сферический двухрядный
FAG
249/800-B-K30-MB DIN
Подшипник радиально-упорный с коническими роликами однорядный
FAG
30315-H DIN
Подшипник радиально-упорный шариковый однорядный с четырехточечным контактом
FAG
QJ248-N2-MPA-C3 DIN
Подшипник упорный шариковый двухрядный
FAG
52208 DIN
Подшипник радиальный роликовый сферический двухрядный
FAG
24134-BE-XL-K30 DIN
Подшипник радиальный шариковый однорядный
FAG
S6202-2RSR DIN
Подшипник радиальный шариковый однорядный
FAG
6311-J20AA DIN
Previous
Next
Реклама
Сведения о рекламодателе: Автоштамп, ООО; ИНН/КПП 6451014857/645101001
ERID: 2VSb5yBk7kL
Скопировать ERID
Пользуясь данным сайтом, вы даете
согласие на использование cookie
.
Принять
×
Вход
Регистрация
E-Mail/Телефон
Пароль
Забыли пароль?
Запомнить меня
Войти
Нажимая на кнопку "Войти", вы принимаете
"Пользовательское соглашение"
,
"Политику использования файлов cookie"
и даёте своё
"Согласие на сбор и обработку персональных данных"
Частное лицо
Организация
Имя
Фамилия
Отчество
E-Mail
Телефон
Пример: +15417543010
Пароль
Не менее 8 символов
Подтверждение пароля
Я прочитал и принимаю
"Пользовательское соглашение"
,
"Политику использования файлов cookie"
и даю своё
"Согласие на сбор и обработку персональных данных"
Зарегистрироваться
Компания
Наименование
Примеры: Моя компания, ООО / Иванов, ИП
Полное наименование
Регистрационный номер
Номер, присвоенный при регистрации (для России - ОГРН или ОГРНИП)
ИНН/КПП (VAT)
Юридический адрес
Почтовый адрес
Телефон
Пример: +1(541)754-30-10
E-Mail
Администратор компании
Имя
Фамилия
Отчество
E-Mail
Телефон
Пример: +15417543010
Пароль
Не менее 8 символов
Подтверждение пароля
Я прочитал и принимаю
"Пользовательское соглашение"
,
"Политику использования файлов cookie"
и даю своё
"Согласие на сбор и обработку персональных данных"
Зарегистрироваться
Язык и валюта
Язык:
English
Русский
Валюта:
BYN (2,9483 BYN / USD)
EUR (0,8522 EUR / USD)
KZT (5,2002 KZT / USD)
RUB (79,7296 RUB / USD)
USD
Применить
Каталог
Подшипниковая продукция
2 662 914 товаров
Подшипники
Шарики
Ролики
Кольца
Корпуса
Подшипниковые узлы
Инструменты и оборудование
Смазочные материалы
Прочее
Втулки
Промышленные трансмиссии и РТИ
290 826 товаров
Ремни
Манжеты
Уплотнения
Рукава
Ленты конвейерные
Кольца
Пластины
Цепи
Втулки
Ступицы
Звездочки
Муфты
Шкивы
Прочее
Товары для транспортных средств
8 484 товара
Шины
Камеры
Диски
Аккумуляторы
Ободные ленты
Каталог
Подшипниковая продукция
Промышленные трансмиссии и РТИ
Товары для транспортных средств
США, Кембридж
Русский - USD
О проекте
Поставщики
Справочник
Блок по качеству
Объявления
Для бизнеса
Подшипниковая продукция
2 662 914 товаров
Подшипники
Шарики
Ролики
Кольца
Корпуса
Подшипниковые узлы
Инструменты и оборудование
Смазочные материалы
Прочее
Втулки
Промышленные трансмиссии и РТИ
290 826 товаров
Ремни
Манжеты
Уплотнения
Рукава
Ленты конвейерные
Кольца
Пластины
Цепи
Втулки
Ступицы
Звездочки
Муфты
Шкивы
Прочее
Товары для транспортных средств
8 484 товара
Шины
Камеры
Диски
Аккумуляторы
Ободные ленты
Язык и валюта
Язык:
English
Русский
Валюта:
BYN (2,9483 BYN / USD)
EUR (0,8522 EUR / USD)
KZT (5,2002 KZT / USD)
RUB (79,7296 RUB / USD)
USD
Применить