В разделах отражены результаты для региона:
США, Кембридж
Справочник / Подшипники

ООО ГПЗ 42224 Л ГОСТ 520

Подшипник

Бренд
Стандарт
ГОСТ 520
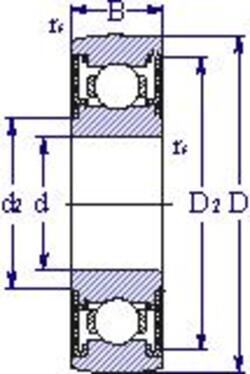
Основные размеры
d,  Внутренний диаметр,  мм
120
D,  Наружный диаметр,  мм
215
B,  Ширина,  мм
40
m,  Масса,  кг
0
Перейти к характеристикам

Описание

Общая характеристика. Подшипники предназначены для восприятия радиальных нагрузок. Они обладают значительно большей радиальной грузоподъемностью по сравнению с грузоподъемностью радиальных шарикоподшипников равных габаритных размеров, но по скоростным характеристикам несколько им уступают. Подшипники с цилиндрическими роликами очень чувствительны к перекосам внутренних колец относительно наружных, так как при перекосах возникает концентрация напряжений у краев ролика. Для снижения этих напряжений изготовляют подшипники специальных модификаций - с выпуклыми (бомбинированными) роликами или дорожками качения. Такие подшипники устанавливают на жестких коротких двухопорных валах.

Характеристики

d (мм) - Диаметр отверстия
120
D (мм) - Наружный диаметр
215
B (мм) - Ширина
40
Смазка (об/мин)
3000
Масло (об/мин)
3600
Co (кН) - Грузоподъёмность статическая
300

Аналоги

Внимание! Аналоги представлены только по размерам.

Похожие товары

Другие товары этого бренда