В разделах отражены результаты для региона:
США, Кембридж
Справочник / Подшипники

AUTOSHTAMP 6 2622 Л ГОСТ 520

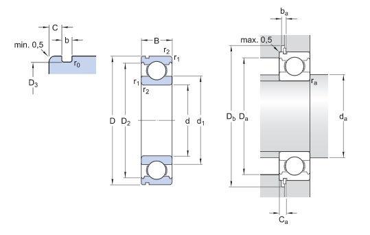
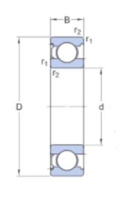
Подшипник радиальный с цилиндрическими роликами однорядный основного конструктивного исполнения с бортами на внутреннем кольце и без бортов на наружном кольце

Бренд
Стандарт
ГОСТ 520
Основные размеры
d,  Внутренний диаметр,  мм
110
D,  Наружный диаметр,  мм
240
B,  Ширина,  мм
80
m,  Масса,  кг
18,5
Перейти к характеристикам

Описание

Общая характеристика. Подшипники предназначены для восприятия радиальных нагрузок. Они обладают значительно большей радиальной грузоподъемностью по сравнению с грузоподъемностью радиальных шарикоподшипников равных габаритных размеров, но по скоростным характеристикам несколько им уступают. Подшипники с цилиндрическими роликами очень чувствительны к перекосам внутренних колец относительно наружных, так как при перекосах возникает концентрация напряжений у краев ролика. Для снижения этих напряжений изготовляют подшипники специальных модификаций - с выпуклыми (бомбинированными) роликами или дорожками качения. Такие подшипники устанавливают на жестких коротких двухопорных валах.

Характеристики

d (мм) - Диаметр отверстия
110
D (мм) - Наружный диаметр
240
m (кг) - Масса
18.5000
B (мм) - Ширина
80
C (kN) - Грузоподъемность динамическая
610
Co (kN) - Грузоподъемность статическая
885
dxl (мм) - Размеры ролика
32х52
n grease (1/мин) - Ном. частота вращен. при пластич. смазке
2000
n oil (1/мин) - Ном. частота вращен. при жидк. смазке
2600
N роликов - Количество роликов
14
Материал - Марка стали
ШХ-15

Аналоги

Внимание! Аналоги представлены только по размерам.

Похожие товары

Другие товары этого бренда