RU - USD
Русский - USD
Язык:
English
Русский
Валюта:
BYN (2,9259 BYN / USD)
EUR (0,8618 EUR / USD)
KZT (4,9336 KZT / USD)
RUB (79,15 RUB / USD)
USD
Применить
+7 (8452) 45-55-55
market@autoshtamp.ru
Каталог
Каталог: Все категории
Найти
+7 (8452) 45-55-55
Вход
0
$0
Меню
США, Кембридж
О проекте
Поставщики
Справочник
Блок по качеству
Объявления
Для бизнеса
RU - USD
Русский - USD
Язык:
English
Русский
Валюта:
BYN (2,9259 BYN / USD)
EUR (0,8618 EUR / USD)
KZT (4,9336 KZT / USD)
RUB (79,15 RUB / USD)
USD
Применить
В разделах отражены результаты для региона:
США, Кембридж
Да, все верно
Выбрать другой
Справочник
/
Подшипники
SKF 11204 ETN9 ISO
Подшипник радиальный шариковый двухрядный самоустанавливающийся
Показать цены
Бренд
SKF
Стандарт
ISO
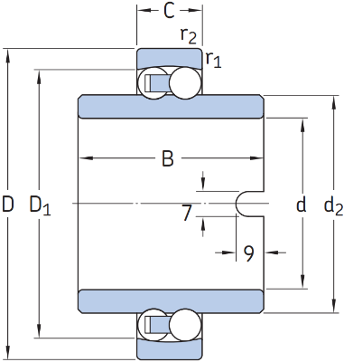
Основные размеры
d
, Внутренний диаметр, мм
20
D
, Наружный диаметр, мм
47
B
, Ширина, мм
40
m
, Масса, кг
0,18
Перейти к характеристикам
Характеристики
Характеристики
Вид товара
Подшипник
Система измерения
Метрическая
Тип трения
Качение
Форма тел качения
Шарики
Направление воспринимаемой нагрузки
Радиальная
Количество рядов
Двухрядный
Отверстие
Цилиндрическое
Материал подшипника
Сталь
Уплотнительные решения
Открытый
Материал сепаратора
Полиамид
d (мм) - Диаметр отверстия
20
D (мм) - Наружный диаметр
47
B (мм) - Ширина
40
m (кг) - Масса
0.18
r1,2 (мм) - Размер фаски (Внутреннее кольцо) (min)
1
ra (мм) - Радиус галтели (max)
1
ra (мм) - Радиус галтели (max)
1
C (кН) - Номинальная динамическая грузоподъёмность (радиальная)
12.7
C0 (кН) - Номинальная статическая грузоподъёмность (радиальная)
3.4
Pu (кН) - Предел усталостной прочности
0.18
Предельная частота вращения (об/мин)
9000
kr (мм) - Расчётный коэффициент
0.04
d2 (мм) - Диаметр выточки внутреннего кольца
28.9
D1 (мм) - Диаметр заплечика наружного кольца
41
C (мм) - Ширина наружного кольца
14
r1,2 (мм) - Размер фаски (Наружное кольцо) (min)
1
Da (мм) - Диаметр опоры в корпусе (max)
41.4
e (мм) - Расчётный коэффициент
0.3
Y2 (мм) - Расчётный коэффициент
3.3
Y1 (мм) - Расчётный коэффициент
2.1
Y0 (мм) - Расчётный коэффициент
2.2
Похожие товары
Подшипник шариковый радиальный сферический двухрядный на закрепительной втулке
ГПЗ-4
11204 ГОСТ 520-2011
Подшипник радиальный шариковый сферический двухрядный самоустанавливающийся на закрепительной втулке
ГПЗ-8
8-11204 К ГОСТ 520
Подшипник радиальный шариковый сферический двухрядный самоустанавливающийся на закрепительной втулке
ГПЗ-8
11204 К ГОСТ 520
Подшипник радиальный шариковый сферический двухрядный самоустанавливающийся на закрепительной втулке
ГПЗ-8
11204 ГОСТ 520
Подшипник радиальный шариковый двухрядный самоустанавливающийся
FAG
11204-TVH DIN
Previous
Next
Другие товары этого бренда
Ремень
SKF
PHG 475-5M-9
Уплотнение
SKF
CR RGR 85X91X13-A
Уплотнение
SKF
CR 100X125X12 HMS5 RG
Корпус стационарный разъемный cерия SAF со сферическими роликоподшипниками на закрепительных втулках
SKF
SAF 22536X6.3/8 T
Подшипник радиально-упорный шариковый однорядный прецинзионный
SKF
S71920 CD/P4A
Подшипниковый узел стационарный типа Y литой корпус, крепление стопорными винтами
SKF
SY 1. TR
Подшипниковый узел фланцевый типа Y штампованный стальной корпус, эксцентриковое стопорное кольцо
SKF
PFD 1.3/16 FM
Подшипник радиально-упорный с коническими роликами двухрядный
SKF
32028 X/DF ISO
Ремень
SKF
PHG 360-H-200
Подшипник радиально-упорный шариковый однорядный прецинзионный
SKF
S71912 CD/HCP4A
Уплотнение
SKF
CR 99463
Уплотнение
SKF
TSN 509 AE
Previous
Next
Разместить рекламу здесь
Пользуясь данным сайтом, вы даете
согласие на использование cookie
.
Принять
×
Вход
Регистрация
E-Mail/Телефон
Пароль
Забыли пароль?
Запомнить меня
Войти
Нажимая на кнопку "Войти", вы принимаете
"Пользовательское соглашение"
,
"Политику использования файлов cookie"
и даёте своё
"Согласие на сбор и обработку персональных данных"
Частное лицо
Организация
Имя
Фамилия
Отчество
E-Mail
Телефон
Пример: +15417543010
Пароль
Не менее 8 символов
Подтверждение пароля
Я прочитал и принимаю
"Пользовательское соглашение"
,
"Политику использования файлов cookie"
и даю своё
"Согласие на сбор и обработку персональных данных"
Зарегистрироваться
Компания
Наименование
Примеры: Моя компания, ООО / Иванов, ИП
Полное наименование
Регистрационный номер
Номер, присвоенный при регистрации (для России - ОГРН или ОГРНИП)
ИНН/КПП (VAT)
Юридический адрес
Почтовый адрес
Телефон
Пример: +1(541)754-30-10
E-Mail
Администратор компании
Имя
Фамилия
Отчество
E-Mail
Телефон
Пример: +15417543010
Пароль
Не менее 8 символов
Подтверждение пароля
Я прочитал и принимаю
"Пользовательское соглашение"
,
"Политику использования файлов cookie"
и даю своё
"Согласие на сбор и обработку персональных данных"
Зарегистрироваться
Язык и валюта
Язык:
English
Русский
Валюта:
BYN (2,9259 BYN / USD)
EUR (0,8618 EUR / USD)
KZT (4,9336 KZT / USD)
RUB (79,15 RUB / USD)
USD
Применить
Каталог
Подшипниковая продукция
2 536 640 товаров
Подшипники
Шарики
Ролики
Кольца
Корпуса
Подшипниковые узлы
Инструменты и оборудование
Смазочные материалы
Прочее
Втулки
Промышленные трансмиссии и РТИ
279 908 товаров
Ремни
Манжеты
Уплотнения
Рукава
Ленты конвейерные
Кольца
Пластины
Цепи
Втулки
Ступицы
Звездочки
Муфты
Шкивы
Прочее
Товары для транспортных средств
9 906 товаров
Шины
Камеры
Диски
Аккумуляторы
Ободные ленты
Каталог
Подшипниковая продукция
Промышленные трансмиссии и РТИ
Товары для транспортных средств
США, Кембридж
Русский - USD
О проекте
Поставщики
Справочник
Блок по качеству
Объявления
Для бизнеса
Подшипниковая продукция
2 536 640 товаров
Подшипники
Шарики
Ролики
Кольца
Корпуса
Подшипниковые узлы
Инструменты и оборудование
Смазочные материалы
Прочее
Втулки
Промышленные трансмиссии и РТИ
279 908 товаров
Ремни
Манжеты
Уплотнения
Рукава
Ленты конвейерные
Кольца
Пластины
Цепи
Втулки
Ступицы
Звездочки
Муфты
Шкивы
Прочее
Товары для транспортных средств
9 906 товаров
Шины
Камеры
Диски
Аккумуляторы
Ободные ленты
Язык и валюта
Язык:
English
Русский
Валюта:
BYN (2,9259 BYN / USD)
EUR (0,8618 EUR / USD)
KZT (4,9336 KZT / USD)
RUB (79,15 RUB / USD)
USD
Применить