В разделах отражены результаты для региона:
США, Кембридж
Справочник / Подшипники

SKF 2210 EKTN9 ISO

Подшипник радиальный шариковый двухрядный самоустанавливающийся

Бренд
SKF
Стандарт
ISO
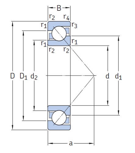
Основные размеры
d,  Внутренний диаметр,  мм
50
D,  Наружный диаметр,  мм
90
B,  Ширина,  мм
23
m,  Масса,  кг
0,6
Перейти к характеристикам

Характеристики

Вид товара
Подшипник
Система измерения
Метрическая
Тип трения
Качение
Форма тел качения
Шарики
Направление воспринимаемой нагрузки
Радиальная
Количество рядов
Двухрядный
Отверстие
Коническое
Материал подшипника
Сталь
Уплотнительные решения
Открытый
Материал сепаратора
Полиамид
d (мм) - Диаметр отверстия
50
D (мм) - Наружный диаметр
90
B (мм) - Ширина
23
m (кг) - Масса
0.6
r1,2 (мм) - Размер фаски (Внутреннее кольцо) (min)
1.1
da (мм) - Диаметр опоры на валу (min)
57
ra (мм) - Радиус галтели (max)
1.1
ra (мм) - Радиус галтели (max)
1.1
C (кН) - Номинальная динамическая грузоподъёмность (радиальная)
33.8
C0 (кН) - Номинальная статическая грузоподъёмность (радиальная)
11.2
Pu (кН) - Предел усталостной прочности
0.57
Номинальная частота вращения (об/мин)
14000
Предельная частота вращения (об/мин)
9500
kr (мм) - Расчётный коэффициент
0.045
Y2 (мм) - Расчётный коэффициент
4.2
Y1 (мм) - Расчётный коэффициент
2.7
Y0 (мм) - Расчётный коэффициент
2.8
d2 (мм) - Диаметр выточки внутреннего кольца
61.5
D1 (мм) - Диаметр заплечика наружного кольца
81.5
r1,2 (мм) - Размер фаски (Наружное кольцо) (min)
1.1
Da (мм) - Диаметр опоры в корпусе (max)
83
e (мм) - Расчётный коэффициент
0.23

Аналоги

Внимание! Аналоги представлены только по размерам.

Похожие товары

Другие товары этого бренда