RU - USD
Русский - USD
Язык:
English
Русский
Валюта:
BYN (2,8618 BYN / USD)
EUR (0,8431 EUR / USD)
KZT (4,9428 KZT / USD)
RUB (77,1944 RUB / USD)
USD
Применить
+7 (8452) 45-55-55
market@autoshtamp.ru
Каталог
Каталог: Все категории
Найти
+7 (8452) 45-55-55
Вход
0
$0
Меню
США, Кембридж
О проекте
Поставщики
Справочник
Блок по качеству
Объявления
Для бизнеса
RU - USD
Русский - USD
Язык:
English
Русский
Валюта:
BYN (2,8618 BYN / USD)
EUR (0,8431 EUR / USD)
KZT (4,9428 KZT / USD)
RUB (77,1944 RUB / USD)
USD
Применить
В разделах отражены результаты для региона:
США, Кембридж
Да, все верно
Выбрать другой
Справочник
/
Подшипники
SKF BT2B 328796
Подшипник радиально-упорный с коническими роликами однорядный сдвоенный типа TDO
Показать цены
Бренд
SKF
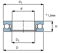
Основные размеры
d
, Внутренний диаметр, мм
440
D
, Наружный диаметр, мм
650
B
, Ширина, мм
196
m
, Масса, кг
203
Перейти к характеристикам
Характеристики
Характеристики
d (мм) - Диаметр отверстия
440
D (мм) - Наружный диаметр
650
m (кг) - Масса
203
C (мм) - Ширина наружного кольца
157
C (kN) - Грузоподъемность динамическая
3690
Co (kN) - Грузоподъемность статическая
7650
Pu (N) - Предел усталостной прочности
585000
T (мм) - Высота
196
Другие товары этого бренда
Уплотнение
SKF
CR OR 342.27X6.99-N70
Ремень
SKF
PHG 1550-H-075
Подшипник упорный шариковый одинарный полимерный
SKF
51102 V/HR11T1
Звездочка
SKF
PHS 06B-1BH18
Подшипник
SKF
VKBC 20060
Ремень
SKF
PHG 1406-L-S1800
Ремень
SKF
PHG 3V1250X3
Втулка закрепительная для дюймовых валов
SKF
HE 3034
Гайка гидравлическая
SKF
HMVC 170E
Подшипник радиальный шариковый однорядный
SKF
6211-Z ISO
Уплотнение
SKF
CR 39304
Подшипник радиальный шариковый однорядный
SKF
W 6307-2Z ISO
Previous
Next
Реклама
Сведения о рекламодателе: КРОНОС ТЕХНОЛОГИЯ, ООО; ИНН/КПП 9728118205/772801001
ERID: 2VSb5y2SekR
Скопировать ERID
Пользуясь данным сайтом, вы даете
согласие на использование cookie
.
Принять
×
Вход
Регистрация
E-Mail/Телефон
Пароль
Забыли пароль?
Запомнить меня
Войти
Нажимая на кнопку "Войти", вы принимаете
"Пользовательское соглашение"
,
"Политику использования файлов cookie"
и даёте своё
"Согласие на сбор и обработку персональных данных"
Частное лицо
Организация
Имя
Фамилия
Отчество
E-Mail
Телефон
Пример: +15417543010
Пароль
Не менее 8 символов
Подтверждение пароля
Я прочитал и принимаю
"Пользовательское соглашение"
,
"Политику использования файлов cookie"
и даю своё
"Согласие на сбор и обработку персональных данных"
Зарегистрироваться
Компания
Наименование
Примеры: Моя компания, ООО / Иванов, ИП
Полное наименование
Регистрационный номер
Номер, присвоенный при регистрации (для России - ОГРН или ОГРНИП)
ИНН/КПП (VAT)
Юридический адрес
Почтовый адрес
Телефон
Пример: +1(541)754-30-10
E-Mail
Администратор компании
Имя
Фамилия
Отчество
E-Mail
Телефон
Пример: +15417543010
Пароль
Не менее 8 символов
Подтверждение пароля
Я прочитал и принимаю
"Пользовательское соглашение"
,
"Политику использования файлов cookie"
и даю своё
"Согласие на сбор и обработку персональных данных"
Зарегистрироваться
Язык и валюта
Язык:
English
Русский
Валюта:
BYN (2,8618 BYN / USD)
EUR (0,8431 EUR / USD)
KZT (4,9428 KZT / USD)
RUB (77,1944 RUB / USD)
USD
Применить
Каталог
Подшипниковая продукция
2 512 390 товаров
Подшипники
Шарики
Ролики
Кольца
Корпуса
Подшипниковые узлы
Инструменты и оборудование
Смазочные материалы
Прочее
Втулки
Промышленные трансмиссии и РТИ
270 655 товаров
Ремни
Манжеты
Уплотнения
Рукава
Ленты конвейерные
Кольца
Пластины
Цепи
Втулки
Ступицы
Звездочки
Муфты
Шкивы
Прочее
Товары для транспортных средств
9 829 товаров
Шины
Камеры
Диски
Аккумуляторы
Ободные ленты
Каталог
Подшипниковая продукция
Промышленные трансмиссии и РТИ
Товары для транспортных средств
США, Кембридж
Русский - USD
О проекте
Поставщики
Справочник
Блок по качеству
Объявления
Для бизнеса
Подшипниковая продукция
2 512 390 товаров
Подшипники
Шарики
Ролики
Кольца
Корпуса
Подшипниковые узлы
Инструменты и оборудование
Смазочные материалы
Прочее
Втулки
Промышленные трансмиссии и РТИ
270 655 товаров
Ремни
Манжеты
Уплотнения
Рукава
Ленты конвейерные
Кольца
Пластины
Цепи
Втулки
Ступицы
Звездочки
Муфты
Шкивы
Прочее
Товары для транспортных средств
9 829 товаров
Шины
Камеры
Диски
Аккумуляторы
Ободные ленты
Язык и валюта
Язык:
English
Русский
Валюта:
BYN (2,8618 BYN / USD)
EUR (0,8431 EUR / USD)
KZT (4,9428 KZT / USD)
RUB (77,1944 RUB / USD)
USD
Применить